Product Introduction
On the basis of absorbing new technology inside and outside China, Changsha Blower Co.,Ltd. and Xian Jiaotong University teamed up to develop the centrifugal blowers, that include multistage low speed centrifugal blowers, single-stage low speed centrifugal blowers and single-stage high speed centrifugal blowers, three series, more than 100 models, with the capacity 50~2000m3/min and pressure rise 10~150kPa. B Series Single-
stage High Speed Centrifugal Blower
Capacity 100~1000m3/min, pressure rise 49.0~140kPa, single-stage impeller, gearbox driving, sliding bearing, compulsive lubrication, single intaking, the B series centrifugal blowers are used to convey air, carbon dioxide, ammonia gas, coal gas, etc.
Derived Models
The following models are derived from the above three models:
●Sewage treatment blower capacity: 50~600m3/min pressure rise:49.0~98kPa
●Desulfurization&oxidation blower capacity: 60~800m3/minpressure rise: 49.0~150kPa
●Sulfur dioxide blower capacity: 200~2000m3/minpressure rise: 26.4~53.9kPa
●Gas-making furnace blower capacity: 300~1500m3/minpressure rise: 23.5~34.3kPa
●Cupola blower capacity:50~350m3/minpressure rise: 9.8~29.4kPa
●Smelting furnace blower capacity:100~1000m3/minpressure rise: 49.0~150kPa
●Coal gas blowercapacity:100~1250m3/minpressure rise: 19.6~53.9kPa
●Coal flotation&washing blowercapacity:50~500m3/minpressure rise:19.6~68.6kPa
Model Selection
Model Introduction
For example:
C300–1.7/1.0 It means a multistage centrifugal blower, when temperature is 20℃, intake pressure is 1.0kgf/cm2(98kPa), relative humidity is 50%, the capacity is 300 m3/min, and discharge pressure is 1.7kgf/cm2(pressure rise 68.6kPa).
The performance range of blower could be determined approximately by capacity and pressure as drawing show, plus another conditions, a precise model could be confirmed by professionals. Elements of Model Selection
● Technical conditions Medium, intake conditions, capacity, pressure rise (or discharge pressure), ambient conditions.
●Model Selection Calculation If the medium is air, intake conditions and ambient conditions are as same as the catalogue conditions, the model could be selected directly according to capacity and pressure rise (or discharge pressure) among the catalogue models. If the medium, or intake conditions, or ambient conditions, are not as same as the catalogue conditions, (for example, the temperature or density is very different.) then the parameters of model selection should be calculated and rectified.
(1) Ambient temperature The design temperature of blower is 20℃. For aeration blower, every 1℃ that intake temperature increases will lead a 0.002kgf/cm2 decline of discharge pressure. Thus, when the temperature is 40℃ in summer, the discharge pressure will decline 0.04kgf/cm2
(1) Altitude The design intake pressure of blower is 1.0kgf/cm2. When the altitude is high, the capacity and discharge pressure should be rectified according to local atmosphere pressure.
(2) Capacity Conversion If the standard capacity at standard condition(0℃,1.033kgf/cm2) is QN, then the actual intake capacity at intake condition (ts,Ps) is Qs, there is a conversion formula: Qs=( ts+273)/273×1.033/ Ps×QN ts: intake temperature,℃ Ps: intake pressure,kgf/cm2
(3) Conversion between pressure unit in common use 9.8kPa=0.1 kgf/cm2=1000mmH2O=98mbar=0.0967atm=73.5mmHg
● Features
◎ Due to the advanced design of aerodynamic and NC milling, the impeller is of high efficiency.
◎ Flat performance curve means the stable working range is wide, and inlet prerotator is applied, so the capacity could be adjusted within the range of 50~105%.
◎ PLC and anti-surge technology, mechantronics, high degree of automation, reliable operation.
◎ The rotor is checked by strict overspeed test, and adjusted by high precision dynamic balance, so its operation is stable and reliable.
● Typical Performance Data of Single-stage High Speed Centrifugal Blower
Type | Intake condition | pressure rise (kpa) | La(kW) | Po(kW) | |||
deliver medium | capacity (m3/min) | pressure (kgf/cm2) | temperature (℃) | ||||
B50-1.5 | air | 50 | 1.0 | 20 | 1.5 | 47.1 | 55 |
B50-1.7 | air | 50 | 1.0 | 20 | 1.7 | 62.6 | 75 |
B100-1.5 | air | 100 | 1.0 | 20 | 1.5 | 91.3 | 110 |
B100-1.8 | air | 100 | 1.0 | 20 | 1.8 | 142 | 160 |
B100-2.0 | air | 100 | 1.0 | 20 | 2.0 | 179 | 200 |
B150-1.5 | air | 150 | 1.0 | 20 | 1.5 | 137 | 160 |
B150-1.8 | air | 150 | 1.0 | 20 | 1.8 | 213 | 250 |
B150-2.0 | air | 150 | 1.0 | 20 | 2.0 | 268 | 315 |
B150-2.5 | air | 150 | 1.0 | 20 | 2.5 | 358 | 400 |
B200-1.5 | air | 200 | 1.0 | 20 | 1.5 | 182 | 220 |
B200-1.8 | air | 200 | 1.0 | 20 | 1.8 | 285 | 315 |
B200-2.0 | air | 200 | 1.0 | 20 | 2.0 | 358 | 400 |
B200-2.5 | air | 200 | 1.0 | 20 | 2.5 | 471 | 560 |
B300-1.5 | air | 300 | 1.0 | 20 | 1.5 | 273 | 315 |
B300-1.8 | air | 300 | 1.0 | 20 | 1.8 | 427 | 500 |
B300-2.0 | air | 300 | 1.0 | 20 | 2.0 | 537 | 630 |
B300-2.5 | air | 300 | 1.0 | 20 | 2.5 | 700 | 800 |
B400-1.5 | air | 400 | 1.0 | 20 | 1.5 | 360 | 450 |
B400-1.8 | air | 400 | 1.0 | 20 | 1.8 | 563 | 630 |
B400-2.0 | air | 400 | 1.0 | 20 | 2.0 | 707 | 800 |
B400-2.5 | air | 400 | 1.0 | 20 | 2.5 | 940 | 1120 |
B500-1.5 | air | 500 | 1.0 | 20 | 1.5 | 451 | 500 |
B500-1.8 | air | 500 | 1.0 | 20 | 1.8 | 704 | 800 |
B500-2.0 | air | 500 | 1.0 | 20 | 2.0 | 883 | 1000 |
B500-2.5 | air | 500 | 1.0 | 20 | 2.5 | 1175 | 1400 |
B600-1.5 | air | 600 | 1.0 | 20 | 1.5 | 541 | 630 |
B600-1.8 | air | 600 | 1.0 | 20 | 1.8 | 844 | 1000 |
B600-2.0 | air | 600 | 1.0 | 20 | 2.0 | 1060 | 1250 |
B600-2.5 | air | 600 | 1.0 | 20 | 2.5 | 1396 | 1600 |
B800-1.5 | air | 800 | 1.0 | 20 | 1.5 | 713 | 800 |
B800-1.8 | air | 800 | 1.0 | 20 | 1.8 | 1113 | 1250 |
B800-2.0 | air | 800 | 1.0 | 20 | 2.0 | 1398 | 1600 |
B800-2.5 | air | 800 | 1.0 | 20 | 2.5 | 1880 | 2000 |
B1000-1.5 | air | 1000 | 1.0 | 20 | 1.5 | 892 | 1000 |
B1000-1.8 | air | 1000 | 1.0 | 20 | 1.8 | 1391 | 1600 |
B1000-2.0 | air | 1000 | 1.0 | 20 | 2.0 | 1747 | 2000 |
B1000-2.5 | air | 1000 | 1.0 | 20 | 2.5 | 2340 | 2500 |
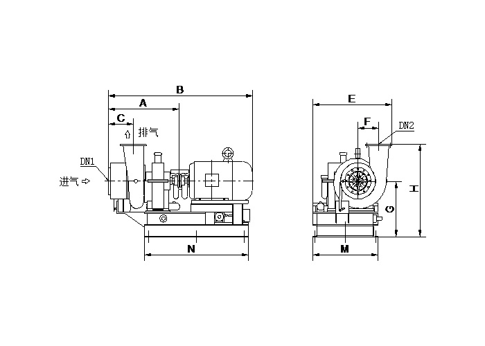
● Dimensions of Single-stage High Speed Centrifugal Blower Dimensions of B50-600 Typical Blower (This is only for reference, the foundation should be built on the basis of contract drawing.)
| A | B | C | DN1 | DN2 | E | F | G | H | M | N |
B50-1.8 | 1050 | 2250 | 350 | 200 | 200 | 1200 | 320 | 950 | 1350 | 1000 | 2000 |
B100-1.8 | 1050 | 2450 | 350 | 300 | 250 | 1200 | 320 | 950 | 1350 | 1000 | 2000 |
B150-1.8 | 1200 | 2650 | 420 | 350 | 300 | 1400 | 385 | 1050 | 1580 | 1100 | 2300 |
B250-1.8 | 1500 | 3350 | 455 | 500 | 400 | 1600 | 555 | 1400 | 2050 | 1400 | 2800 |
B400-1.8 | 1650 | 4000 | 570 | 600 | 500 | 1850 | 685 | 1500 | 2230 | 1450 | 3200 |
B600-1.8 | 1800 | 4500 | 680 | 700 | 600 | 2000 | 810 | 1650 | 2650 | 1600 | 3500 |
● Supply Scope of Single-stage High Speed Centrifugal Blower
No. | Standard | Optional | ||
Name | Qty | Name | Qty | |
1 | Blower | 1 | Inlet silencer | 1 |
2 | Inlet prerotator and electric actuator | 1 | Discharge silencer | 1 |
3 | Gearbox | 1 | Outlet flexible joint | 1 |
4 | Thin oil station | 1 | Outlet electric butterfly valve | 1 |
5 | Driver | 1 | Atmospheric silencer | 1 |
6 | PLC, spot control cabinet and primary instrument | 1 | Check | 1 |
7 | Anti-surge valve | 1 | ||
8 | common base | 1 | ||
9 | Anchor bolt, nut, washer | 1 | ||
10 | Spare parts | 1 |