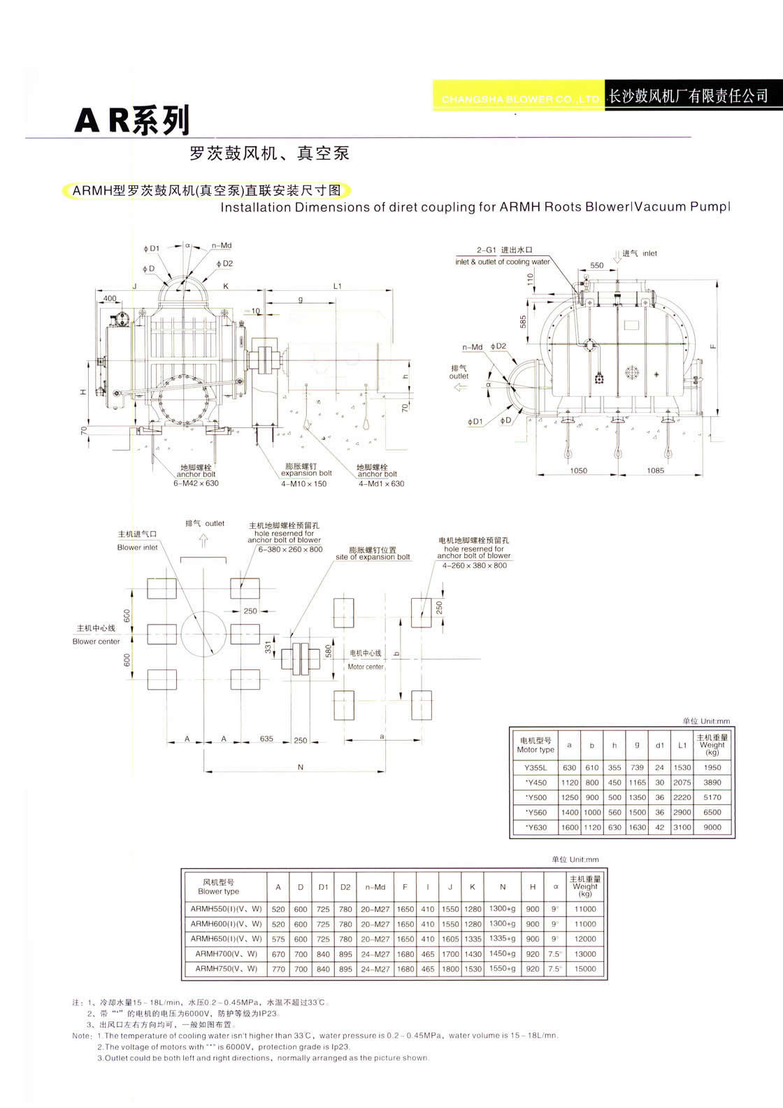
AR系列罗茨欧陆娱乐
产品特点
●强制输气,流量随压力变小,且输送气体不受油污染。
●采用两叶摆线叶型或先进气动理论设计,高效节能。
●转子动平衡精度高,整机振动小。
●零部件选材优良,齿轮精度高,整机可靠性高,使用寿命长。
●采用特殊消声设计,噪声低。
●结构简单,造型优美,操作维护方便。
●品种规格多,性能点密集,便于选择合适机型,有利于节能降耗。
●AR系列产品可派生AR-K、AR-M、AR-N等特殊用途罗茨欧陆娱乐,用以输送或抽取各种不同的气体介质,满足不同种类的工业用途。
流量:0.76-1200m3/min,压力:9.8-98kPa
产品用途
● AR系列标准型罗茨欧陆娱乐可广泛应用于石油、化工、冶金、电力、化肥、建材、矿山、港口、轻纺、造纸、食品、医药、环保、空分、气力输送、城市燃气等行业。
● AR系列标准型罗茨欧陆娱乐,一般用于输送干净空气。
AR系列罗茨欧陆娱乐性能表 Performance Date of Series AR Roots Blowers | |||||||||||||||||||||||||||||||||
风机型号 | 口径 | 转速 | 各排气压力下的进口流量Qs(m3/min),所需轴功率La(kW)及所配电机功率Po(kW) | 电机 | |||||||||||||||||||||||||||||
bore | speed | intake volume Qs(m3/min) shaft power required La(kW) at each discharge pressure | 极数 | ||||||||||||||||||||||||||||||
type | mm | r/min | 9.8kPa | 19.6kPa | 29.4kPa | 39.2kPa | 49.0kPa | 58.8kPa | 68.6kPa | 78.4kPa | 88.2kPa | 98.0kPa | pole | ||||||||||||||||||||
n | Qs | La | Po | Qs | La | Po | Qs | La | Po | Qs | La | Po | Qs | La | Po | Qs | La | Po | Qs | La | Po | Qs | La | Po | Qs | La | Po | Qs | La | Po | P | ||
ARB-50 | 50 | 1450 | 1.49 | 0.67 | 1.1 | 1.28 | 1.00 | 1.5 | 1.12 | 1.32 | 2.2 | 0.99 | 1.65 | 2.2 | 0.87 | 1.98 | 3 | 0.76 | 2.31 | 3 | ? | ? | ? | ? | ? | ? | ? | ? | ? | ? | ? | ? | 4 |
1750 | 1.90 | 0.81 | 1.5 | 1.69 | 1.20 | 2.2 | 1.53 | 1.60 | 2.2 | 1.40 | 1.99 | 3 | 1.28 | 2.39 | 3 | 1.17 | 2.79 | 4 | 1.07 | 3.18 | 4 | ? | ? | ? | ? | ? | ? | ? | ? | ? | 4 | ||
2000 | 2.24 | 0.92 | 1.5 | 2.03 | 1.37 | 2.2 | 1.88 | 1.83 | 3 | 1.74 | 2.28 | 3 | 1.62 | 2.73 | 4 | 1.52 | 3.19 | 4 | 1.42 | 3.64 | 5.5 | 1.33 | 4.09 | 5.5 | ? | ? | ? | ? | ? | ? | 2 | ||
2500 | 2.93 | 1.15 | 1.5 | 2.72 | 1.72 | 3 | 2.56 | 2.28 | 3 | 2.43 | 2.85 | 4 | 2.31 | 3.42 | 5.5 | 2.20 | 3.98 | 5.5 | 2.10 | 4.55 | 7.5 | 2.01 | 5.11 | 7.5 | 1.93 | 5.68 | 7.5 | ? | ? | ? | 2 | ||
3000 | 3.61 | 1.38 | 2.2 | 3.41 | 2.06 | 3 | 3.25 | 2.74 | 4 | 3.11 | 3.42 | 5.5 | 2.99 | 4.10 | 5.5 | 2.89 | 4.78 | 7.5 | 2.79 | 5.46 | 7.5 | 2.70 | 6.14 | 7.5 | 2.61 | 6.82 | 11 | 2.53 | 7.49 | 11 | 2 | ||
ARB-65 | 65 | 1450 | 2.15 | 0.99 | 1.5 | 1.85 | 1.46 | 2.2 | 1.61 | 1.94 | 3 | 1.42 | 2.42 | 3 | 1.24 | 2.90 | 4 | 1.08 | 3.37 | 5.5 | ? | ? | ? | ? | ? | ? | ? | ? | ? | ? | ? | ? | 4 |
1750 | 2.75 | 1.19 | 2.2 | 2.45 | 1.77 | 3 | 2.21 | 2.34 | 3 | 2.01 | 2.92 | 4 | 1.84 | 3.50 | 5.5 | 1.68 | 4.07 | 5.5 | 1.54 | 4.65 | 5.5 | ? | ? | ? | ? | ? | ? | ? | ? | ? | 4 | ||
2000 | 3.25 | 1.36 | 2.2 | 2.95 | 2.02 | 3 | 2.71 | 2.68 | 4 | 2.51 | 3.34 | 4 | 2.34 | 4.00 | 5.5 | 2.18 | 4.65 | 7.5 | 2.04 | 5.31 | 7.5 | 1.90 | 5.97 | 7.5 | ? | ? | ? | ? | ? | ? | 2 | ||
2500 | 4.25 | 1.70 | 2.2 | 3.94 | 2.53 | 4 | 3.71 | 3.35 | 5.5 | 3.51 | 4.17 | 5.5 | 3.34 | 4.99 | 7.5 | 3.18 | 5.82 | 7.5 | 3.03 | 6.64 | 11 | 2.90 | 7.46 | 11 | ? | ? | ? | ? | ? | ? | 2 | ||
3000 | 5.25 | 2.04 | 3 | 4.94 | 3.03 | 4 | 4.71 | 4.02 | 5.5 | 4.51 | 5.01 | 7.5 | 4.33 | 5.99 | 7.5 | 4.18 | 6.98 | 11 | 4.03 | 7.97 | 11 | 3.90 | 8.96 | 11 | ? | ? | ? | ? | ? | ? | 2 | ||
ARC-80 | 80 | 1450 | 4.57 | 1.63 | 2.2 | 4.12 | 2.57 | 4 | 3.77 | 3.50 | 5.5 | 3.48 | 4.44 | 5.5 | 3.22 | 5.37 | 7.5 | 2.99 | 6.31 | 7.5 | 2.77 | 7.24 | 11 | ? | ? | ? | ? | ? | ? | ? | ? | ? | 4 |
1750 | 5.74 | 1.97 | 3 | 5.29 | 3.10 | 4 | 4.94 | 4.23 | 5.5 | 4.65 | 5.36 | 7.5 | 4.39 | 6.48 | 11 | 4.16 | 7.61 | 11 | 3.94 | 8.74 | 11 | 3.74 | 9.87 | 15 | ? | ? | ? | ? | ? | ? | 4 | ||
2000 | 6.72 | 2.25 | 3 | 6.26 | 3.54 | 5.5 | 5.92 | 4.83 | 7.5 | 5.62 | 6.12 | 7.5 | 5.36 | 7.41 | 11 | 5.13 | 8.70 | 11 | 4.92 | 9.99 | 15 | 4.72 | 11.3 | 15 | 4.53 | 12.6 | 15 | ? | ? | ? | 2 | ||
2500 | 8.67 | 2.82 | 4 | 8.22 | 4.43 | 5.5 | 7.87 | 6.04 | 7.5 | 7.57 | 7.65 | 11 | 7.32 | 9.26 | 11 | 7.08 | 10.9 | 15 | 6.87 | 12.5 | 15 | 6.67 | 14.1 | 18.5 | 6.48 | 15.7 | 18.5 | 6.31 | 17.3 | 22 | 2 | ||
3000 | 10.6 | 3.38 | 5.5 | 10.2 | 5.31 | 7.5 | 9.82 | 7.25 | 11 | 9.53 | 9.18 | 11 | 9.27 | 11.1 | 15 | 9.04 | 13.0 | 15 | 8.82 | 15.0 | 18.5 | 8.62 | 16.9 | 22 | 8.43 | 18.8 | 22 | 8.26 | 20.8 | 30 | 2 | ||
ARC-100 | 100 | 1450 | 6.75 | 2.17 | 3 | 6.24 | 3.53 | 5.5 | 5.85 | 4.85 | 7.5 | 5.51 | 6.17 | 7.5 | 5.22 | 7.48 | 11 | 4.96 | 8.80 | 11 | 4.71 | 10.1 | 15 | 4.49 | 11.4 | 15 | ? | ? | ? | ? | ? | ? | 4 |
1750 | 8.41 | 2.62 | 4 | 7.89 | 4.26 | 5.5 | 7.50 | 5.85 | 7.5 | 7.17 | 7.44 | 11 | 6.87 | 9.03 | 11 | 6.61 | 10.6 | 15 | 6.37 | 12.2 | 15 | 6.14 | 13.8 | 18.5 | 5.93 | 15.4 | 18.5 | ? | ? | ? | 4 | ||
2000 | 9.78 | 2.99 | 4 | 9.27 | 4.87 | 7.5 | 8.88 | 6.69 | 7.5 | 8.54 | 8.50 | 11 | 8.25 | 10.3 | 15 | 7.99 | 12.1 | 15 | 7.74 | 14.0 | 18.5 | 7.52 | 15.8 | 18.5 | 7.31 | 17.6 | 22 | ? | ? | ? | 2 | ||
2500 | 12.5 | 3.74 | 5.5 | 12.0 | 6.08 | 7.5 | 11.6 | 8.36 | 11 | 11.3 | 10.6 | 15 | 11.0 | 12.9 | 15 | 10.7 | 15.2 | 18.5 | 10.5 | 17.5 | 22 | 10.3 | 19.7 | 22 | 10.1 | 22.0 | 30 | ? | ? | ? | 2 | ||
3000 | 15.3 | 4.49 | 5.5 | 14.8 | 7.30 | 11 | 14.4 | 10.0 | 15 | 14.1 | 12.8 | 15 | 13.8 | 15.5 | 18.5 | 13.5 | 18.2 | 22 | 13.3 | 20.9 | 30 | 13.0 | 23.7 | 30 | ? | ? | ? | ? | ? | ? | 2 | ||
ARD-100* | 125 | 970 | 6.33 | 2.19 | 4 | 5.74 | 3.48 | 5.5 | 5.30 | 4.77 | 7.5 | 4.92 | 6.06 | 7.5 | 4.58 | 7.35 | 11 | 4.28 | 8.64 | 11 | 4.00 | 9.93 | 15 | ? | ? | ? | ? | ? | ? | ? | ? | ? | 6 |
1150 | 7.77 | 2.60 | 4 | 7.18 | 4.13 | 5.5 | 6.73 | 5.66 | 7.5 | 6.35 | 7.19 | 11 | 6.02 | 8.71 | 11 | 5.72 | 10.2 | 15 | 5.44 | 11.8 | 15 | 5.18 | 13.3 | 18.5 | ? | ? | ? | ? | ? | ? | 4 | ||
1450 | 10.2 | 3.27 | 5.5 | 9.57 | 5.20 | 7.5 | 9.13 | 7.13 | 11 | 8.75 | 9.06 | 11 | 8.41 | 11.0 | 15 | 8.11 | 12.9 | 18.5 | 7.84 | 14.8 | 18.5 | 7.58 | 16.8 | 22 | 7.33 | 18.7 | 22 | ? | ? | ? | 4 | ||
1750 | 12.6 | 3.95 | 5.5 | 12.0 | 6.28 | 7.5 | 11.5 | 8.61 | 11 | 11.1 | 10.9 | 15 | 10.8 | 13.3 | 18.5 | 10.5 | 15.6 | 18.5 | 10.2 | 17.9 | 22 | 10.0 | 20.2 | 30 | 9.73 | 22.6 | 30 | 9.50 | 24.9 | 30 | 4 | ||
2000 | 14.5 | 4.52 | 5.5 | 14.0 | 7.18 | 11 | 13.5 | 9.84 | 15 | 13.1 | 12.5 | 15 | 12.8 | 15.2 | 18.5 | 12.5 | 17.8 | 22 | 12.2 | 20.5 | 30 | 12.0 | 23.1 | 30 | 11.7 | 25.8 | 30 | 11.5 | 28.5 | 37 | 2 | ||
2200 | 16.1 | 4.97 | 7.5 | 15.6 | 7.89 | 11 | 15.1 | 10.8 | 15 | 14.7 | 13.7 | 18.5 | 14.4 | 16.7 | 22 | 14.1 | 19.6 | 30 | 13.8 | 22.5 | 30 | 13.6 | 25.4 | 30 | 13.3 | 28.4 | 37 | 13.1 | 31.3 | 37 | 2 | ||
ARD-125 | 125 | 970 | 9.29 | 2.80 | 4 | 8.53 | 4.66 | 7.5 | 7.95 | 6.51 | 7.5 | 7.46 | 8.37 | 11 | 7.03 | 10.2 | 15 | 6.64 | 12.1 | 15 | 6.28 | 13.9 | 18.5 | 5.94 | 15.8 | 18.5 | ? | ? | ? | ? | ? | ? | 6 |
1150 | 11.4 | 3.33 | 5.5 | 10.6 | 5.52 | 7.5 | 10.0 | 7.72 | 11 | 9.52 | 9.92 | 15 | 9.09 | 12.1 | 15 | 8.70 | 14.3 | 18.5 | 8.34 | 16.5 | 22 | 8.00 | 18.7 | 22 | 7.69 | 20.9 | 30 | ? | ? | ? | 4 | ||
1450 | 14.8 | 4.19 | 5.5 | 14.0 | 6.96 | 11 | 13.5 | 9.74 | 11 | 13.0 | 12.5 | 15 | 12.5 | 15.3 | 18.5 | 12.1 | 18.1 | 22 | 11.8 | 20.8 | 30 | 11.4 | 23.6 | 30 | 11.1 | 26.4 | 30 | 10.8 | 29.1 | 37 | 4 | ||
1750 | 18.2 | 5.06 | 7.5 | 17.5 | 8.41 | 11 | 16.9 | 11.8 | 15 | 16.4 | 15.1 | 18.5 | 16.0 | 18.4 | 22 | 15.6 | 21.8 | 30 | 15.2 | 25.1 | 30 | 14.9 | 28.5 | 37 | 14.6 | 31.8 | 37 | 14.3 | 35.2 | 45 | 4 | ||
2000 | 21.1 | 5.78 | 7.5 | 20.3 | 9.61 | 11 | 19.8 | 13.4 | 18.5 | 19.3 | 17.3 | 22 | 18.8 | 21.1 | 30 | 18.5 | 24.9 | 30 | 18.1 | 28.7 | 37 | 17.8 | 32.5 | 37 | 17.4 | 36.4 | 45 | 17.1 | 40.2 | 45 | 2 | ||
2200 | 23.4 | 6.36 | 7.5 | 22.6 | 10.6 | 15 | 22.1 | 14.8 | 18.5 | 21.6 | 19.0 | 22 | 21.1 | 23.2 | 30 | 20.7 | 27.4 | 37 | 20.4 | 31.6 | 37 | 20.0 | 35.8 | 45 | 19.7 | 40.0 | 45 | 19.4 | 44.2 | 55 | 2 | ||
ARD-127* | 125 | 970 | 11.3 | 3.43 | 5.5 | 10.4 | 5.69 | 7.5 | 9.74 | 7.94 | 11 | 9.15 | 10.2 | 15 | 8.63 | 12.5 | 15 | 8.16 | 14.7 | 18.5 | 7.73 | 17.0 | 22 | ? | ? | ? | ? | ? | ? | ? | ? | ? | 6 |
1150 | 13.9 | 4.06 | 5.5 | 13.0 | 6.74 | 11 | 12.3 | 9.42 | 11 | 11.7 | 12.1 | 15 | 11.1 | 14.8 | 18.5 | 10.7 | 17.4 | 22 | 10.2 | 20.1 | 30 | 9.84 | 22.8 | 30 | ? | ? | ? | ? | ? | ? | 4 | ||
1450 | 18.1 | 5.12 | 7.5 | 17.1 | 8.50 | 11 | 16.4 | 11.9 | 15 | 15.9 | 15.2 | 18.5 | 15.3 | 18.6 | 22 | 14.9 | 22.0 | 30 | 14.4 | 25.4 | 30 | 14.0 | 28.7 | 37 | 13.7 | 32.1 | 37 | ? | ? | ? | 4 | ||
1750 | 22.2 | 6.18 | 7.5 | 21.3 | 10.3 | 15 | 20.6 | 14.3 | 18.5 | 20.0 | 18.4 | 22 | 19.5 | 22.5 | 30 | 19.1 | 26.6 | 30 | 18.6 | 30.6 | 37 | 18.2 | 34.7 | 45 | 17.8 | 38.8 | 45 | ? | ? | ? | 4 | ||
2000 | 25.7 | 7.07 | 11 | 24.8 | 11.7 | 15 | 24.1 | 16.4 | 22 | 23.5 | 21.0 | 30 | 23.0 | 25.7 | 30 | 22.5 | 30.3 | 37 | 22.1 | 35.0 | 45 | 21.7 | 39.7 | 45 | 21.3 | 44.3 | 55 | ? | ? | ? | 2 | ||
2200 | 28.5 | 7.77 | 11 | 27.6 | 12.9 | 15 | 26.9 | 18.0 | 22 | 26.3 | 23.1 | 30 | 25.8 | 28.3 | 37 | 25.3 | 33.4 | 45 | 24.9 | 38.5 | 45 | 24.5 | 43.6 | 55 | 24.1 | 48.7 | 55 | ? | ? | ? | 2 | ||
ARD-145 | 150 | 970 | 14.2 | 4.29 | 5.5 | 13.1 | 7.11 | 11 | 12.3 | 9.94 | 15 | 11.6 | 12.8 | 15 | 10.9 | 15.6 | 18.5 | 10.4 | 18.4 | 22 | 9.82 | 21.2 | 30 | ? | ? | ? | ? | ? | ? | ? | ? | ? | 6 |
1150 | 17.4 | 5.09 | 7.5 | 16.3 | 8.43 | 11 | 15.4 | 11.8 | 15 | 14.7 | 15.1 | 18.5 | 14.1 | 18.5 | 22 | 13.5 | 21.8 | 30 | 13.0 | 25.2 | 30 | 12.5 | 28.5 | 37 | ? | ? | ? | ? | ? | ? | 4 | ||
1450 | 22.6 | 6.42 | 7.5 | 21.5 | 10.6 | 15 | 20.7 | 14.9 | 18.5 | 19.9 | 19.1 | 22 | 19.3 | 23.3 | 30 | 18.7 | 27.5 | 37 | 18.2 | 31.7 | 37 | 17.7 | 35.9 | 45 | 17.2 | 40.2 | 45 | ? | ? | ? | 4 | ||
1750 | 27.9 | 7.74 | 11 | 26.7 | 12.8 | 15 | 25.9 | 17.9 | 22 | 25.2 | 23.0 | 30 | 24.5 | 28.1 | 37 | 24.0 | 33.2 | 37 | 23.4 | 38.3 | 45 | 22.9 | 43.4 | 55 | 22.5 | 48.5 | 55 | ? | ? | ? | 4 | ||
2000 | 32.2 | 8.85 | 11 | 31.1 | 14.7 | 18.5 | 30.3 | 20.5 | 30 | 29.5 | 26.3 | 30 | 28.9 | 32.1 | 37 | 28.3 | 37.9 | 45 | 27.8 | 43.8 | 55 | 27.3 | 49.6 | 55 | 26.9 | 55.4 | 75 | ? | ? | ? | 2 | ||
2200 | 35.7 | 9.73 | 11 | 34.6 | 16.1 | 18.5 | 33.8 | 22.5 | 30 | 33.0 | 28.9 | 37 | 32.4 | 35.3 | 45 | 31.8 | 41.7 | 55 | 31.3 | 48.1 | 55 | 30.8 | 54.5 | 75 | ? | ? | ? | ? | ? | ? | 2 | ||
ARD-150 | 150 | 970 | 17.7 | 5.22 | 7.5 | 16.4 | 8.68 | 11 | 15.4 | 12.2 | 15 | 14.6 | 15.6 | 18.5 | 13.8 | 19.1 | 22 | 13.2 | 22.6 | 30 | 12.5 | 26.0 | 30 | ? | ? | ? | ? | ? | ? | ? | ? | ? | 6 |
1150 | 21.5 | 6.19 | 7.5 | 20.2 | 10.3 | 15 | 19.3 | 14.4 | 18.5 | 18.4 | 18.5 | 22 | 17.7 | 22.6 | 30 | 17.0 | 26.7 | 30 | 16.4 | 30.8 | 37 | ? | ? | ? | ? | ? | ? | ? | ? | ? | 4 | ||
1450 | 28.0 | 7.80 | 11 | 26.7 | 13.0 | 15 | 25.7 | 18.2 | 22 | 24.9 | 23.3 | 30 | 24.1 | 28.5 | 37 | 23.5 | 33.7 | 45 | 22.8 | 38.9 | 45 | 22.3 | 44.1 | 55 | ? | ? | ? | ? | ? | ? | 4 | ||
1750 | 34.4 | 9.41 | 11 | 33.1 | 15.7 | 18.5 | 32.1 | 21.9 | 30 | 31.3 | 28.2 | 37 | 30.6 | 34.4 | 45 | 29.9 | 40.7 | 45 | 29.3 | 46.9 | 55 | 28.7 | 53.2 | 75 | ? | ? | ? | ? | ? | ? | 4 | ||
2000 | 39.8 | 10.8 | 15 | 38.5 | 17.9 | 22 | 37.5 | 25.1 | 30 | 36.6 | 32.2 | 37 | 35.9 | 39.4 | 45 | 35.2 | 46.5 | 55 | 34.6 | 53.7 | 75 | ? | ? | ? | ? | ? | ? | ? | ? | ? | 2 | ||
ARE-145* | 150 | 730 | 17.8 | 5.27 | 7.5 | 16.5 | 8.74 | 11 | 15.6 | 12.2 | 15 | 14.7 | 15.7 | 18.5 | 14.0 | 19.1 | 22 | 13.4 | 22.6 | 30 | 12.8 | 26.1 | 30 | 12.2 | 29.5 | 37 | 11.7 | 33.0 | 45 | ? | ? | ? | 8 |
970 | 24.6 | 7.00 | 11 | 23.4 | 11.6 | 15 | 22.4 | 16.2 | 22 | 21.6 | 20.8 | 30 | 20.9 | 25.4 | 30 | 20.2 | 30.0 | 37 | 19.6 | 34.6 | 45 | 19.1 | 39.3 | 45 | 18.6 | 43.9 | 55 | 18.1 | 48.5 | 55 | 6 | ||
1170 | 30.3 | 8.44 | 11 | 29.1 | 14.0 | 18.5 | 28.1 | 19.6 | 30 | 27.3 | 25.1 | 30 | 26.6 | 30.7 | 37 | 25.9 | 36.2 | 45 | 25.3 | 41.8 | 55 | 24.8 | 47.3 | 55 | 24.3 | 52.9 | 75 | 23.8 | 58.5 | 75 | 4 | ||
1250 | 32.6 | 9.02 | 11 | 31.3 | 15.0 | 18.5 | 30.4 | 20.9 | 30 | 29.6 | 26.8 | 37 | 28.8 | 32.8 | 45 | 28.2 | 38.7 | 45 | 27.6 | 44.6 | 55 | 27.1 | 50.6 | 75 | 26.5 | 56.5 | 75 | 26.0 | 62.5 | 75 | 4 | ||
1350 | 35.4 | 9.74 | 15 | 34.2 | 16.2 | 22 | 33.2 | 22.6 | 30 | 32.4 | 29.0 | 37 | 31.7 | 35.4 | 45 | 31.1 | 41.8 | 55 | 30.5 | 48.2 | 55 | 29.9 | 54.6 | 75 | 29.4 | 61.0 | 75 | 28.9 | 67.5 | 75 | 4 | ||
1450 | 38.3 | 10.5 | 15 | 37.0 | 17.4 | 22 | 36.1 | 24.2 | 30 | 35.3 | 31.1 | 37 | 34.5 | 38.0 | 45 | 33.9 | 44.9 | 55 | 33.3 | 51.8 | 75 | 32.8 | 58.7 | 75 | 32.2 | 65.6 | 75 | 31.7 | 72.5 | 90 | 4 | ||
ARE-190 | 200 | 730 | 23.0 | 6.46 | 11 | 21.5 | 10.9 | 15 | 20.3 | 15.4 | 18.5 | 19.3 | 19.8 | 22 | 18.4 | 24.3 | 30 | 17.6 | 28.7 | 37 | 16.9 | 33.2 | 37 | 16.2 | 37.7 | 45 | 15.6 | 42.1 | 55 | ? | ? | ? | 8 |
970 | 31.8 | 8.58 | 11 | 30.3 | 14.5 | 18.5 | 29.1 | 20.4 | 30 | 28.1 | 26.4 | 30 | 27.2 | 32.3 | 37 | 26.4 | 38.2 | 45 | 25.7 | 44.1 | 55 | 25.0 | 50.1 | 55 | 24.4 | 56.0 | 75 | 23.8 | 61.9 | 75 | 6 | ||
1170 | 39.1 | 10.4 | 15 | 37.6 | 17.5 | 22 | 36.4 | 24.6 | 30 | 35.4 | 31.8 | 37 | 34.5 | 38.9 | 45 | 33.7 | 46.1 | 55 | 33.0 | 53.2 | 75 | 32.3 | 60.4 | 75 | 31.7 | 67.5 | 75 | 31.1 | 74.7 | 90 | 4 | ||
1250 | 42.1 | 11.1 | 15 | 40.5 | 18.7 | 22 | 39.4 | 26.3 | 30 | 38.4 | 34.0 | 45 | 37.5 | 41.6 | 45 | 36.7 | 49.2 | 55 | 35.9 | 56.9 | 75 | 35.3 | 64.5 | 75 | 34.6 | 72.1 | 90 | 34.0 | 79.8 | 90 | 4 | ||
1350 | 45.7 | 11.9 | 15 | 44.2 | 20.2 | 30 | 43.0 | 28.4 | 37 | 42.0 | 36.7 | 45 | 41.1 | 44.9 | 55 | 40.3 | 53.2 | 75 | 39.6 | 61.4 | 75 | 38.9 | 69.7 | 90 | 38.3 | 77.9 | 90 | 37.7 | 86.1 | 110 | 4 | ||
1450 | 49.4 | 12.8 | 18.5 | 47.9 | 21.7 | 30 | 46.7 | 30.5 | 37 | 45.7 | 39.4 | 45 | 44.8 | 48.3 | 55 | 44.0 | 57.1 | 75 | 43.3 | 66.0 | 75 | 42.6 | 74.8 | 90 | 42.0 | 83.7 | 110 | 41.4 | 92.5 | 110 | 4 | ||
ARE-195 | 200 | 730 | 29.1 | 7.97 | 11 | 27.2 | 13.5 | 18.5 | 25.8 | 19.1 | 22 | 24.7 | 24.7 | 30 | 23.6 | 30.3 | 37 | 22.7 | 35.8 | 45 | 21.8 | 41.4 | 55 | 21.0 | 47.0 | 55 | 20.3 | 52.6 | 75 | 19.6 | 58.1 | 75 | 8 |
970 | 40.0 | 10.6 | 15 | 38.2 | 18.0 | 22 | 36.8 | 25.4 | 30 | 35.7 | 32.8 | 37 | 34.6 | 40.2 | 45 | 33.7 | 47.6 | 55 | 32.8 | 55.0 | 75 | 32.0 | 62.4 | 75 | 31.3 | 69.8 | 90 | 30.6 | 77.2 | 90 | 6 | ||
1170 | 49.2 | 12.8 | 15 | 47.4 | 21.7 | 30 | 46.0 | 30.6 | 37 | 44.8 | 39.6 | 45 | 43.8 | 48.5 | 55 | 42.8 | 57.4 | 75 | 42.0 | 66.4 | 75 | 41.2 | 75.3 | 90 | 40.4 | 84.2 | 110 | 39.7 | 93.2 | 110 | 4 | ||
1250 | 52.9 | 13.7 | 18.5 | 51.1 | 23.2 | 30 | 49.7 | 32.7 | 37 | 48.5 | 42.3 | 55 | 47.4 | 51.8 | 75 | 46.5 | 61.4 | 75 | 45.6 | 70.9 | 90 | 44.8 | 80.5 | 90 | 44.1 | 90.0 | 110 | 43.4 | 99.5 | 110 | 4 | ||
1350 | 57.4 | 14.7 | 18.5 | 55.6 | 25.1 | 30 | 54.2 | 35.4 | 45 | 53.1 | 45.7 | 55 | 52.0 | 56.0 | 75 | 51.1 | 66.3 | 75 | 50.2 | 76.6 | 90 | 49.4 | 86.9 | 110 | 48.7 | 97.2 | 132 | 48.0 | 107 | 132 | 4 | ||
1450 | 62.0 | 15.8 | 18.5 | 60.2 | 26.9 | 30 | 58.8 | 38.0 | 45 | 57.6 | 49.0 | 55 | 56.6 | 60.1 | 75 | 55.7 | 71.2 | 90 | 54.8 | 82.3 | 90 | 54.0 | 93.3 | 110 | 53.3 | 104 | 132 | 52.5 | 115 | 132 | 4 | ||
ARE-200 | 200 | 730 | 36.2 | 9.6 | 11 | 34.2 | 16.4 | 22 | 32.7 | 23.2 | 30 | 31.5 | 30.0 | 37 | 30.4 | 36.9 | 45 | 29.4 | 43.7 | 55 | 28.4 | 50.5 | 75 | 27.6 | 57.3 | 75 | 26.8 | 64.1 | 75 | ? | ? | ? | 8 |
970 | 49.6 | 12.8 | 15 | 47.7 | 21.8 | 30 | 46.2 | 30.9 | 37 | 44.9 | 39.9 | 45 | 43.8 | 49.0 | 55 | 42.8 | 58.0 | 75 | 41.9 | 67.1 | 75 | 41.0 | 76.1 | 90 | 40.2 | 85.2 | 110 | 39.4 | 94.2 | 110 | 6 | ||
1170 | 60.8 | 15.4 | 18.5 | 58.9 | 26.3 | 30 | 57.4 | 37.2 | 45 | 56.1 | 48.2 | 55 | 55.0 | 59.1 | 75 | 54.0 | 70.0 | 90 | 53.1 | 80.9 | 90 | 52.2 | 91.8 | 110 | 51.4 | 103 | 132 | ? | ? | ? | 4 | ||
1250 | 65.3 | 16.5 | 18.5 | 63.3 | 28.1 | 37 | 61.8 | 39.8 | 45 | 60.6 | 51.4 | 75 | 59.5 | 63.1 | 75 | 58.5 | 74.8 | 90 | 57.5 | 86.4 | 110 | 56.7 | 98.1 | 110 | 55.9 | 110 | 132 | ? | ? | ? | 4 | ||
1350 | 70.9 | 17.8 | 22 | 68.9 | 30.4 | 37 | 67.4 | 43.0 | 55 | 66.2 | 55.6 | 75 | 65.1 | 68.2 | 75 | 64.1 | 80.8 | 90 | 63.1 | 93.4 | 110 | 62.3 | 106 | 132 | ? | ? | ? | ? | ? | ? | 4 | ||
1450 | 76.5 | 19.1 | 22 | 74.5 | 32.6 | 37 | 73.0 | 46.1 | 55 | 71.8 | 59.7 | 75 | 70.7 | 73.2 | 90 | 69.7 | 86.7 | 110 | 68.7 | 100 | 110 | 67.9 | 114 | 132 | 67.1 | 127 | 160 | 66.3 | 141 | 160 | 4 | ||
ARE-250 | 250 | 730 | 46.1 | 11.7 | 15 | 43.7 | 20.3 | 30 | 41.8 | 29.0 | 37 | 40.2 | 37.7 | 45 | 38.8 | 46.3 | 55 | 37.6 | 55.0 | 75 | 36.4 | 63.7 | 75 | ? | ? | ? | ? | ? | ? | ? | ? | ? | 8 |
970 | 63.2 | 15.5 | 18.5 | 60.8 | 27.0 | 30 | 58.9 | 38.5 | 45 | 57.3 | 50.1 | 55 | 55.9 | 61.6 | 75 | 54.7 | 73.1 | 90 | 53.5 | 84.6 | 110 | ? | ? | ? | ? | ? | ? | ? | ? | ? | 6 | ||
1170 | 77.5 | 18.7 | 22 | 75.0 | 32.6 | 37 | 73.2 | 46.5 | 55 | 71.6 | 60.4 | 75 | 70.2 | 74.3 | 90 | 68.9 | 88.2 | 110 | 67.8 | 102 | 132 | ? | ? | ? | ? | ? | ? | ? | ? | ? | 4 | ||
1250 | 83.2 | 20.0 | 30 | 80.7 | 34.8 | 45 | 78.9 | 49.7 | 55 | 77.3 | 64.5 | 75 | 75.9 | 79.4 | 90 | 74.6 | 94.2 | 110 | 73.5 | 109 | 132 | ? | ? | ? | ? | ? | ? | ? | ? | ? | 4 | ||
1350 | 90.3 | 21.6 | 30 | 87.9 | 37.6 | 45 | 86.0 | 53.6 | 75 | 84.4 | 69.7 | 75 | 83.0 | 85.7 | 110 | 81.8 | 102 | 132 | ? | ? | ? | ? | ? | ? | ? | ? | ? | ? | ? | ? | 4 | ||
1450 | 97.4 | 23.2 | 30 | 95.0 | 40.4 | 45 | 93.1 | 57.6 | 75 | 91.5 | 74.8 | 90 | 90.1 | 92.1 | 110 | 88.9 | 109 | 132 | 87.7 | 126 | 160 | ? | ? | ? | ? | ? | ? | ? | ? | ? | 4 | ||
ARF-245 | 250 | 730 | 71.4 | 17.9 | 22 | 68.5 | 31.0 | 37 | 66.2 | 44.1 | 55 | 64.3 | 57.2 | 75 | 62.6 | 70.3 | 90 | 61.1 | 83.4 | 110 | 59.7 | 96.5 | 110 | 58.3 | 110 | 132 | 57.1 | 123 | 160 | 56.0 | 136 | 160 | 8 |
800 | 79.0 | 19.6 | 22 | 76.0 | 34.0 | 45 | 73.7 | 48.3 | 55 | 71.8 | 62.7 | 75 | 70.1 | 77.1 | 90 | 68.6 | 91.4 | 110 | 67.2 | 106 | 132 | 65.9 | 120 | 132 | 64.7 | 134 | 160 | 63.5 | 149 | 185 | 6 | ||
880 | 87.6 | 21.6 | 30 | 84.6 | 37.4 | 45 | 82.4 | 53.2 | 75 | 80.4 | 69.0 | 75 | 78.7 | 84.8 | 110 | 77.2 | 101 | 110 | 75.8 | 116 | 132 | 74.5 | 132 | 160 | 73.3 | 148 | 185 | 72.1 | 164 | 185 | 6 | ||
980 | 98.4 | 24.0 | 30 | 95.4 | 41.6 | 55 | 93.1 | 59.2 | 75 | 91.2 | 76.8 | 90 | 89.5 | 94.4 | 110 | 88.0 | 112 | 132 | 86.6 | 130 | 160 | 85.3 | 147 | 185 | 84.0 | 165 | 185 | 82.9 | 182 | 200 | 6 | ||
ARF-250 | 250 | 730 | 89.2 | 21.9 | 30 | 85.6 | 38.2 | 45 | 82.8 | 54.5 | 75 | 80.5 | 70.8 | 90 | 78.4 | 87.1 | 110 | 76.6 | 103 | 132 | 74.9 | 120 | 132 | 73.3 | 136 | 160 | 71.8 | 152 | 185 | ? | ? | ? | 8 |
800 | 98.5 | 24.0 | 30 | 95.0 | 41.9 | 55 | 92.2 | 59.7 | 75 | 89.9 | 77.6 | 90 | 87.8 | 95.5 | 110 | 86.0 | 113 | 132 | 84.3 | 131 | 160 | 82.7 | 149 | 185 | 81.2 | 167 | 185 | 79.8 | 185 | 200 | 6 | ||
880 | 109.3 | 26.4 | 37 | 105.7 | 46.1 | 55 | 102.9 | 65.7 | 75 | 100.6 | 85.4 | 110 | 98.5 | 105 | 132 | 96.7 | 125 | 160 | 95.0 | 144 | 160 | 93.4 | 164 | 185 | 91.9 | 184 | 200 | 90.5 | 203 | 220 | 6 | ||
980 | 122.7 | 29.4 | 37 | 119.1 | 51.3 | 75 | 116.3 | 73.2 | 90 | 114.0 | 95.1 | 110 | 112.0 | 117 | 132 | 110.1 | 139 | 160 | 108.4 | 161 | 185 | 106.8 | 183 | 200 | 105.3 | 205 | 220 | 103.9 | 226 | 250 | 6 | ||
ARF-290* | 300 | 730 | 105.6 | 25.0 | 30 | 101.5 | 44.2 | 55 | 98.5 | 63.5 | 75 | 95.8 | 82.7 | 90 | 93.6 | 102 | 132 | 91.5 | 121 | 132 | 89.6 | 140 | 160 | 87.8 | 160 | 185 | 86.1 | 179 | 200 | 84.5 | 198 | 220 | 8 |
800 | 116.6 | 27.4 | 37 | 112.6 | 48.5 | 55 | 109.5 | 69.5 | 90 | 106.9 | 90.6 | 110 | 104.6 | 112 | 132 | 102.5 | 133 | 160 | 100.6 | 154 | 185 | 98.8 | 175 | 200 | 97.2 | 196 | 220 | 95.6 | 217 | 250 | 6 | ||
880 | 129.3 | 30.2 | 37 | 125.2 | 53.3 | 75 | 122.2 | 76.5 | 90 | 119.5 | 100 | 110 | 117.2 | 123 | 160 | 115.2 | 146 | 160 | 113.3 | 169 | 185 | 111.5 | 192 | 220 | 109.8 | 215 | 250 | 108.2 | 239 | 280 | 6 | ||
980 | 145.1 | 33.6 | 45 | 141.0 | 59.4 | 75 | 137.9 | 85.2 | 110 | 135.3 | 111 | 132 | 133.0 | 137 | 160 | 131.0 | 163 | 185 | 129.1 | 188 | 220 | 127.3 | 214 | 250 | 125.6 | 240 | 280 | 124.0 | 266 | 315 | 6 | ||
ARF-295 | 300 | 730 | 112.0 | 26.2 | 37 | 107.7 | 46.6 | 55 | 104.4 | 66.9 | 75 | 101.7 | 87.3 | 110 | 99.2 | 108 | 132 | 97.0 | 128 | 160 | 95.0 | 148 | 185 | 93.1 | 169 | 185 | 91.3 | 189 | 220 | 89.7 | 210 | 250 | 8 |
800 | 123.7 | 28.7 | 37 | 119.4 | 51.0 | 75 | 116.2 | 73.4 | 90 | 113.4 | 95.7 | 110 | 110.9 | 118 | 132 | 108.8 | 140 | 160 | 106.7 | 163 | 185 | 104.8 | 185 | 200 | 103.1 | 207 | 250 | 101.4 | 230 | 250 | 6 | ||
880 | 137.1 | 31.6 | 37 | 132.8 | 56.1 | 75 | 129.6 | 80.7 | 90 | 126.8 | 105 | 132 | 124.4 | 130 | 160 | 122.2 | 154 | 185 | 120.1 | 179 | 200 | 118.2 | 204 | 220 | 116.5 | 228 | 250 | 114.8 | 253 | 280 | 6 | ||
980 | 153.9 | 35.1 | 45 | 149.6 | 62.5 | 75 | 146.3 | 89.9 | 110 | 143.5 | 117 | 132 | 141.1 | 145 | 160 | 138.9 | 172 | 185 | 136.9 | 199 | 220 | 135.0 | 227 | 250 | 133.2 | 254 | 280 | 131.6 | 281 | 315 | 6 | ||
ARF-300 | 300 | 730 | 138.7 | 31.3 | 37 | 133.9 | 56.4 | 75 | 130.3 | 81.4 | 90 | 127.2 | 106 | 132 | 124.5 | 132 | 160 | 122.0 | 157 | 185 | 119.8 | 182 | 200 | 117.6 | 207 | 250 | 115.7 | 232 | 250 | ? | ? | ? | 8 |
800 | 153.1 | 34.3 | 45 | 148.4 | 61.8 | 75 | 144.7 | 89.2 | 110 | 141.6 | 117 | 132 | 138.9 | 144 | 160 | 136.4 | 172 | 200 | 134.2 | 199 | 220 | 132.1 | 226 | 250 | ? | ? | ? | ? | ? | ? | 6 | ||
880 | 169.6 | 37.8 | 45 | 164.8 | 68.0 | 90 | 161.2 | 98.2 | 110 | 158.1 | 128 | 160 | 155.4 | 159 | 185 | 152.9 | 189 | 220 | 150.6 | 219 | 250 | 148.5 | 249 | 280 | ? | ? | ? | ? | ? | ? | 6 | ||
980 | 190.2 | 42.1 | 55 | 185.4 | 75.7 | 90 | 181.7 | 109 | 132 | 178.6 | 143 | 160 | 175.9 | 177 | 200 | 173.5 | 210 | 250 | 171.2 | 244 | 280 | 169.1 | 277 | 315 | 167.1 | 311 | 355 | 165.3 | 345 | ? | 6 | ||
ARF-350* | 350 | 730 | 164.8 | 37.2 | 45 | 159.3 | 66.9 | 75 | 155.1 | 96.6 | 110 | 151.5 | 126 | 160 | 148.3 | 156 | 185 | 145.5 | 186 | 200 | 142.8 | 215 | 250 | ? | ? | ? | ? | ? | ? | ? | ? | ? | 8 |
800 | 181.9 | 40.8 | 55 | 176.4 | 73.3 | 90 | 172.1 | 106 | 132 | 168.6 | 138 | 160 | 165.4 | 171 | 185 | 162.6 | 204 | 220 | ? | ? | ? | ? | ? | ? | ? | ? | ? | ? | ? | ? | 6 | ||
880 | 201.4 | 44.8 | 55 | 195.9 | 80.6 | 90 | 191.7 | 116 | 132 | 188.1 | 152 | 185 | 184.9 | 188 | 220 | 182.1 | 224 | 250 | ? | ? | ? | ? | ? | ? | ? | ? | ? | ? | ? | ? | 6 | ||
980 | 225.9 | 49.9 | 75 | 220.3 | 89.8 | 110 | 216.1 | 130 | 160 | 212.5 | 170 | 185 | 209.3 | 209 | 250 | 206.5 | 249 | 280 | 203.9 | 289 | 315 | ? | ? | ? | ? | ? | ? | ? | ? | ? | 6 | ||
ARMG-300 | 300 | 730 | 128 | 30.2 | 37 | 123 | 53.4 | 75 | 120 | 76.6 | 90 | 117 | 100 | 110 | 114 | 123 | 160 | 112 | 146 | 160 | 110 | 169 | 185 | 108 | 193 | 220 | 106 | 216 | 250 | 104 | 239 | 280 | 8 |
980 | 176 | 40.5 | 45 | 171 | 71.7 | 90 | 167 | 103 | 132 | 164 | 134 | 160 | 162 | 165 | 185 | 159 | 196 | 220 | 157 | 227 | 250 | 155 | 258 | 280 | 153 | 290 | 315 | 152 | 321 | 355 | 6 | ||
ARMG-350 | 350 | 730 | 160 | 36.4 | 45 | 154 | 65.3 | 75 | 150 | 94.2 | 110 | 146 | 123 | 160 | 143 | 152 | 185 | 140 | 181 | 200 | 138 | 210 | 250 | 135 | 239 | 280 | 133 | 268 | 315 | ? | ? | ? | 8 |
980 | 219 | 48.9 | 55 | 214 | 87.6 | 110 | 209 | 126 | 160 | 206 | 165 | 185 | 203 | 204 | 220 | 200 | 243 | 280 | 197 | 282 | 315 | 195 | 320 | 355 | 192 | 359 | 400 | ? | ? | ? | 6 | ||
ARMG-395 | 400 | 730 | 184 | 41.1 | 55 | 177 | 74.3 | 90 | 173 | 107 | 132 | 169 | 141 | 160 | 165 | 174 | 200 | 162 | 207 | 250 | 159 | 240 | 280 | 156 | 273 | 315 | ? | ? | ? | ? | ? | ? | 8 |
980 | 252 | 55.2 | 75 | 246 | 99.7 | 110 | 241 | 144 | 160 | 237 | 189 | 220 | 233 | 233 | 250 | 230 | 278 | 315 | 227 | 322 | 355 | 224 | 367 | 400 | ? | ? | ? | ? | ? | ? | 6 | ||
ARMG-400 | 400 | 730 | 204 | 45.3 | 55 | 198 | 82.1 | 90 | 193 | 119 | 132 | 188 | 156 | 185 | 184 | 193 | 220 | 181 | 229 | 250 | 178 | 266 | 280 | ? | ? | ? | ? | ? | ? | ? | ? | ? | 8 |
980 | 280 | 60.8 | 75 | 273 | 110 | 132 | 268 | 160 | 185 | 264 | 209 | 250 | 260 | 258 | 280 | 256 | 308 | 355 | 253 | 357 | 400 | ? | ? | ? | ? | ? | ? | ? | ? | ? | 6 | ||
ARG-350* | 350 | 590 | 185 | 43.9 | 55 | 180 | 76.8 | 90 | 176 | 110 | 132 | 173 | 143 | 160 | 170 | 175 | 200 | 167 | 208 | 250 | 165 | 241 | 280 | 163 | 274 | 315 | 161 | 307 | 355 | ? | ? | ? | 10 |
740 | 235 | 55.1 | 75 | 230 | 96.3 | 110 | 226 | 138 | 160 | 223 | 179 | 200 | 220 | 220 | 250 | 217 | 261 | 280 | 215 | 303 | 355 | 213 | 344 | 400 | 211 | 385 | 450 | 208.7 | 426 | 450 | 8 | ||
ARG-400 | 400 | 590 | 232 | 53.3 | 75 | 226 | 94.7 | 110 | 221 | 136 | 160 | 217 | 177 | 200 | 213 | 219 | 250 | 210 | 260 | 280 | 207 | 301 | 315 | 204 | 343 | 400 | 201 | 384 | 450 | ? | ? | ? | 10 |
740 | 295 | 66.9 | 75 | 289 | 119 | 132 | 284 | 171 | 185 | 280 | 222 | 250 | 276 | 274 | 315 | 273 | 326 | 355 | 270 | 378 | 400 | 267 | 430 | 500 | 264 | 482 | 560 | ? | ? | ? | 8 | ||
ARG-445 | 450 | 590 | 262 | 59.5 | 75 | 255 | 106 | 132 | 250 | 153 | 185 | 246 | 199 | 220 | 242 | 246 | 280 | 238 | 292 | 315 | 235 | 339 | 355 | 232 | 385 | 450 | ? | ? | ? | ? | ? | ? | 10 |
740 | 333 | 74.6 | 90 | 326 | 133 | 160 | 321 | 191 | 220 | 317 | 250 | 280 | 313 | 308 | 355 | 309 | 366 | 400 | 306 | 425 | 450 | 303 | 483 | 560 | ? | ? | ? | ? | ? | ? | 8 | ||
ARG-450 | 450 | 590 | 293 | 65.2 | 75 | 285 | 117 | 132 | 280 | 169 | 185 | 275 | 220 | 250 | 271 | 272 | 315 | 267 | 324 | 355 | 264 | 375 | 400 | 261 | 427 | 450 | ? | ? | ? | ? | ? | ? | 10 |
740 | 371 | 81.8 | 90 | 364 | 147 | 160 | 359 | 211 | 250 | 354 | 276 | 315 | 350 | 341 | 400 | 346 | 406 | 450 | 343 | 471 | 500 | 339 | 536 | 560 | ? | ? | ? | ? | ? | ? | 8 | ||
ARG-500 | 500 | 590 | 362 | 78.9 | 90 | 353 | 143 | 160 | 346 | 207 | 220 | 341 | 271 | 315 | 336 | 322 | 355 | 331 | 398 | 450 | 327 | 462 | 500 | ? | ? | ? | ? | ? | ? | ? | ? | ? | 10 |
740 | 459 | 99.0 | 110 | 451 | 179 | 200 | 444 | 259 | 280 | 438 | 339 | 355 | 433 | 420 | 450 | 428 | 500 | 560 | 424 | 580 | 630 | ? | ? | ? | ? | ? | ? | ? | ? | ? | 8 | ||
ARMH-550 | 600 | 490 | 406 | 95 | 110 | 395 | 166 | 200 | 387 | 238 | 280 | 380 | 310 | 355 | 374 | 382 | 450 | 368 | 453 | 500 | 363 | 525 | 560 | 358 | 597 | 630 | 354 | 669 | 800 | ? | ? | ? | 12 |
590 | 495 | 114 | 132 | 484 | 200 | 220 | 475 | 287 | 315 | 468 | 373 | 400 | 462 | 460 | 500 | 456 | 546 | 630 | 451 | 632 | 710 | 446 | 719 | 800 | 442 | 805 | 900 | ? | ? | ? | 10 | ||
ARMH-600 | 600 | 490 | 428 | 99 | 110 | 417 | 174 | 200 | 408 | 250 | 280 | 400 | 325 | 355 | 394 | 401 | 450 | 388 | 476 | 560 | 383 | 552 | 630 | 378 | 627 | 710 | 373 | 703 | 800 | ? | ? | ? | 12 |
590 | 521 | 119 | 132 | 509 | 210 | 250 | 501 | 301 | 355 | 493 | 391 | 450 | 487 | 482 | 560 | 481 | 573 | 630 | 476 | 664 | 710 | 471 | 755 | 800 | 466 | 846 | 900 | ? | ? | ? | 10 | ||
ARMH-650 | 600 | 490 | 467 | 106 | 132 | 456 | 189 | 220 | 446 | 271 | 315 | 438 | 354 | 400 | 432 | 436 | 500 | 425 | 519 | 560 | 419 | 601 | 710 | 414 | 684 | 800 | ? | ? | ? | ? | ? | ? | 12 |
590 | 569 | 128 | 160 | 557 | 227 | 250 | 548 | 327 | 355 | 540 | 426 | 500 | 533 | 525 | 560 | 527 | 625 | 710 | 521 | 724 | 800 | 516 | 823 | 900 | ? | ? | ? | ? | ? | ? | 10 | ||
ARMH-700 | 700 | 490 | 536 | 121 | 160 | 522 | 216 | 250 | 511 | 310 | 355 | 502 | 405 | 450 | 494 | 499 | 560 | 487 | 593 | 630 | 480 | 688 | 800 | ? | ? | ? | ? | ? | ? | ? | ? | ? | 12 |
590 | 652 | 146 | 185 | 638 | 260 | 280 | 627 | 374 | 400 | 618 | 487 | 560 | 610 | 601 | 710 | 603 | 715 | 800 | 596 | 828 | 900 | ? | ? | ? | ? | ? | ? | ? | ? | ? | 10 | ||
ARMH-750 | 700 | 490 | 608 | 136 | 185 | 592 | 243 | 280 | 581 | 350 | 400 | 571 | 457 | 500 | 562 | 564 | 630 | 554 | 671 | 710 | ? | ? | ? | ? | ? | ? | ? | ? | ? | ? | ? | ? | 12 |
590 | 740 | 164 | 200 | 724 | 293 | 315 | 712 | 421 | 450 | 702 | 550 | 630 | 693 | 679 | 710 | 686 | 808 | 900 | ? | ? | ? | ? | ? | ? | ? | ? | ? | ? | ? | ? | 10 | ||
ARH-600 | 600 | 490 | 559 | 127 | 160 | 545 | 225 | 250 | 533 | 324 | 355 | 524 | 423 | 450 | 515 | 522 | 560 | 507 | 620 | 710 | 500 | 719 | 800 | 494 | 818 | 900 | 488 | 917 | 1000 | ? | ? | ? | 12 |
590 | 681 | 153 | 185 | 666 | 271 | 315 | 655 | 390 | 450 | 645 | 509 | 560 | 637 | 628 | 710 | 629 | 747 | 800 | 622 | 866 | 1000 | 615 | 985 | 1120 | 609 | 1104 | 1250 | ? | ? | ? | 10 | ||
ARH-700 | 700 | 490 | 744 | 162 | 185 | 724 | 293 | 315 | 709 | 424 | 450 | 697 | 555 | 630 | 686 | 686 | 800 | 676 | 817 | 900 | 667 | 948 | 1000 | ? | ? | ? | ? | ? | ? | ? | ? | ? | 12 |
590 | 905 | 195 | 220 | 886 | 353 | 400 | 871 | 511 | 560 | 858 | 669 | 710 | 847 | 826 | 900 | 837 | 984 | 1120 | 828 | 1142 | 1250 | ? | ? | ? | ? | ? | ? | ? | ? | ? | 10 | ||
ARH-800 | 800 | 490 | 869 | 187 | 220 | 847 | 340 | 400 | 831 | 493 | 560 | 817 | 646 | 710 | 804 | 799 | 900 | ? | ? | ? | ? | ? | ? | ? | ? | ? | ? | ? | ? | ? | ? | ? | 12 |
590 | 1057 | 225 | 250 | 1036 | 409 | 450 | 1019 | 593 | 630 | 1005 | 777 | 900 | 992 | 961 | 1120 | ? | ? | ? | ? | ? | ? | ? | ? | ? | ? | ? | ? | ? | ? | ? | 10 | ||
ARH-900 | 900 | 490 | 1034 | 219 | 250 | 1009 | 400 | 450 | 991 | 582 | 630 | 975 | 763 | 900 | 961 | 944 | 1000 | ? | ? | ? | ? | ? | ? | ? | ? | ? | ? | ? | ? | ? | ? | ? | 12 |
590 | 1257 | 264 | 315 | 1232 | 482 | 560 | 1214 | 700 | 800 | 1198 | 919 | 1000 | 1184 | 1137 | 1250 | ? | ? | ? | ? | ? | ? | ? | ? | ? | ? | ? | ? | ? | ? | ? | 10 | ||
? | ? | ? | ? |